您当前位置: 产品中心管道配件系列球形万向伸缩器

球形万向伸缩器

产品详情

管道在日常使用过程中,由于环境温度与管道安装时的环境温度存在差,管道会产生一定的伸长量;又由于基础的沉降与变形,管道会偏离初始位置。在拐角处会产生较大的变形、位移、偏角、应力集中等现象。严重时将导致密封失效产生泄漏或管道强度失效产生断裂破坏。为避免此类现象的出现必须寻找一种能吸收较大的变形、位移、偏角、应力集中的结构设计,达到保证管路安全的目的。

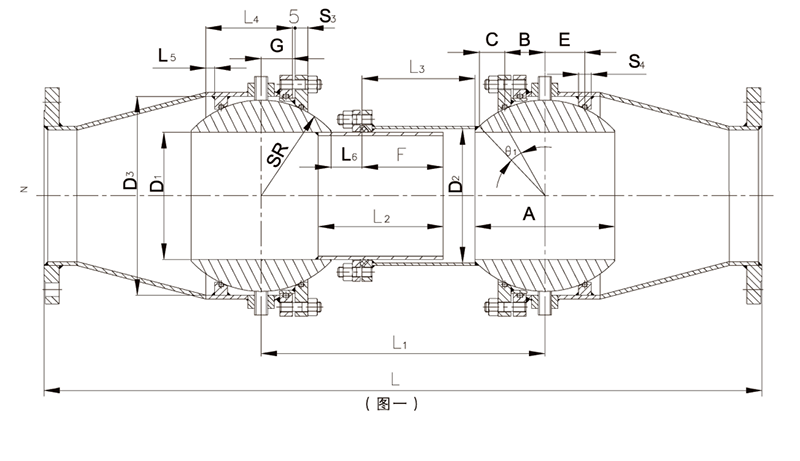
安装时结构状态(见图一  安装时结构示意图)

图一  安装时结构示意图


工作时结构状态(见图二  工作时结构示意图)

图二  工作时结构示意图


工作原理

在管道安装时将球形万向伸缩器安装于易发生沉降或者管道应力易集中处。此时活动内套管伸入固定外套管内,球形万向伸缩器处于最短状态。当管道投入使用后,管道温差、覆土变化等因素可能产生沉降位移等变化。使管道产生较大的变形、位移、偏角、应力集中等现象。采用了球形万向伸缩器后,活动内套管从固定外套管内滑出起到补偿伸长量的作用。两端的万向节可在设计的角度范围内自由活动起到吸收角变形的作用




下一个产品:对夹式硬密封蝶阀
上一个产品:拉杆伸缩过滤器
021-59176868
qrCode